b) 工字形截面连续次梁和工字形截面主梁的连接设计

  类型i :次梁(连续梁)腹板与主梁加劲肋采用高强度螺栓连接,主梁加劲肋与主梁腹板采用角焊缝连接;次梁的翼缘采用连接板等强度相连;
  类型ii :次梁(连续梁)采用双连接板与次梁腹板和主梁加劲肋连接,双连接板与次梁的腹板和主梁加劲肋采用高强度螺栓连接,主梁加劲肋与腹板采用角焊缝连接;次梁的翼缘采用连接板等强度相连;
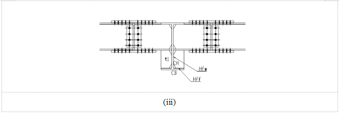
  类型iii :次梁(连续梁)翼缘采用对接焊缝与主梁连接,腹板采用角焊缝与主梁连接。在次梁的反弯点处进行次梁截面的等强度拼接。