b) 工字形截面支撑

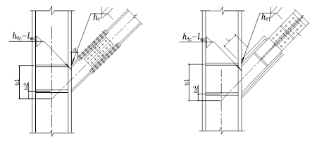
  类型 i:支撑与梁柱连接

(i)

  类型 ii:单支撑与柱连接

(ii)

  类型 iii:双支撑与柱连接

(iii)

  类型 iv:单支撑与梁连接

(iv)

  类型 v:双支撑与梁连接

(v)