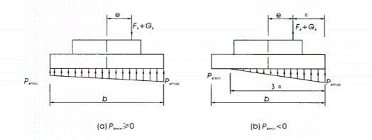
目录 搜索 展开 首页版权与商标说明免责声明第1章 软件功能简介1.1 软件概述1.2 技术依据第2章 参数化建模2.1 创建模型2.1.1 正交轴网2.1.2 构架柱1、人字柱建模2、格构柱建模3、圆管柱建模2.1.3 构架梁1、格构梁建模2、圆管梁建模2.1.4 独立避雷针1、钢管避雷针2、三角形格构避雷针3、四边形格构避雷针2.1.5 构架编辑2.1.6 避雷针编辑2.2 构件编辑2.2.1 截面定义2.2.2 构件删除和构件复制2.3 构件信息2.3.1 材料定义2.3.2 计算长度系数2.4 荷载布置2.4.1 风荷载2.4.2 点线荷载2.4.3 温度作用第3章 约束布置3.1 支座约束3.2 梁单元端部约束3.2.1 一端铰接/两端铰接/两端刚接/删除一端铰接3.2.2 梁端约束第4章 计算分析与结果查看4.1 模型检查4.2 设计参数4.2.1 设计信息4.2.2 地震计算信息4.2.3 工况组合4.3 线性计算4.3.1 线性计算4.3.2 模态分析4.4 计算结果查询4.4.1 位移显示4.4.2 内力显示4.4.3 支座反力显示4.4.4 振型结果显示4.4.5 内力表格4.4.6 构件验算查询4.4.7 生成计算书4.5 基础设计第5章 节点设计5.1 连接设计5.1.1 连接参数1、通用参数2、人字柱参数3、桁架梁参数4、全圆管格构梁参数5、钢管柱参数6、钢管梁参数7、格构柱参数(主杆角钢)8、地线柱与避雷针参数5.1.2 自动设计5.1.3 补充连接设计1、法兰节点2、角钢分段节点3、挂线点节点4、检修走道5、爬梯5.1.4 基础设计1.使用变电构架的基础设计2.使用跳转PM基础进行基础设计5.2 节点编辑第6章 施工图设计6.1 图纸配置6.2 施工图生成第7章 接力REVIT或ABD技术条件一 抗震设计基本规定1.1 重力荷载代表值1.2 抗震设计调整二 荷载2.1 荷载工况2.2 风荷载2.2.1 风荷载体型系数2.2.2 风压高度变化系数2.2.3 风振系数2.3 荷载效应组合2.3.1 运行工况1、大风工况2、覆冰有风工况3、温度有风工况2.3.2 安装工况2.3.3 检修工况2.3.4 地震作用工况2.3.5 正常使用工况三 连接计算3.1 螺栓连接3.2 焊缝连接3.3 法兰节点3.4 柱脚节点四 基础设计4.1 地基验算4.1.1 基底压力计算4.1.2 修正后的地基承载力特征值计算4.1.3 地基抗震承载力调整4.1.4 基础底面积确定4.2 基础抗拔和抗倾覆稳定验算4.2.1 基础抗拔稳定验算4.2.2 基础抗倾覆稳定验算4.3 基础计算4.3.1 基础高度取值4.3.2 基础冲切验算4.3.3 基础受剪承载力计算4.3.4 基础底板受弯配筋计算 暂无相关搜索结果! 4.1.1 基底压力计算 4.1.1 基底压力计算 轴心荷载作用时: 轴心荷载地基压力计算简图 单向偏心荷载作用时: 当偏心距e>b/6时: 单向偏心荷载地基压力计算简图 双向偏心荷载作用时: 当(ey/l+ex/b)>1/6时: 双向偏心荷载地基压力计算简图