20.7.3 面排布钢筋组
此功能适用于拉筋这类有两个方向排布规则的钢筋,使用方法如下:
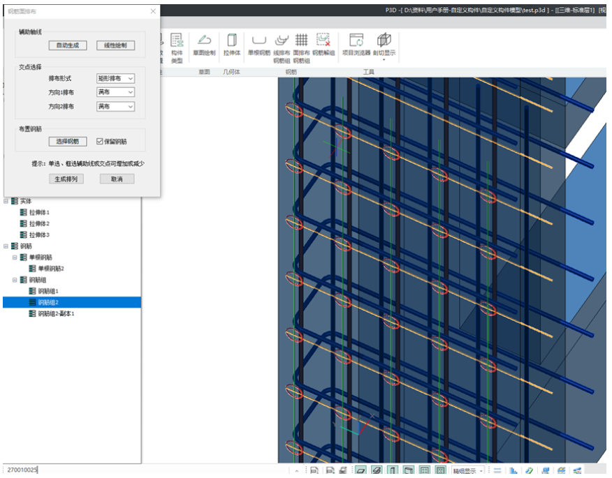
点击【面排布钢筋组】按钮,程序界面弹出【钢筋面排布】对话框如下图所示。
拉筋创建流程如下图所示:
相关设置如下:
辅助轴线
【自动生成】:选择两组钢筋,水平筋和纵筋,右键即可自动生成交点轴线。
【线性绘制】:绘制辅助轴线,右击确认。
在自动生成的基础上,点击【线性绘制】进行其余辅助轴线的绘制,如图所示。
交点选择
【排布形式】:根据常用钢筋排布方式,下拉框支持【矩形排布】、【交错排布】两种方式。可下拉勾选。(切换一次刷新一次)
矩形排布展示
交错排布展示
【方向1排布】:当排布方式选择【矩形排布】时,方向1排布可选择【满布】、【隔一布一】、【隔二布一】、【隔三布一】;当排布方式选择【交错排布】时,方向1排布可选择【隔一布一】、【隔三布一】。
【方向2排布】:当排布方式选择【矩形排布】时,方向2排布可选择【满布】、【隔一布一】、【隔二布一】、【隔三布一】;当排布方式选择【交错排布】时,方向2排布选项框灰选,不可选择。
提示:单选、框选辅助线或交点可增加或减少。
布置钢筋
Tab键可切换选择钢筋插入基点,右键确认。
原位调整
选中面排布钢筋组可对拉筋进行整组编辑,双击原位标注可以直接修改,同时支持原位标注和属性栏的修改。