8.1.2 国标装配率
点击“指标统计-国标装配率”,弹出如图所示对话框,用户可对对话框左侧的总体信息及各评价项选项卡进行切换,进行相应的计算设置。在总体信息里,设置预制方案相同楼层,其他分项可直接继承,避免多次输入。当需要单独设置统计时,取消勾选即可。国标装配率提供自动获取地下室层数功能,默认地下室不进行统计。所有页面设置完成后点击“计算”,可直接弹出各项计算结果。也可点击“生成报告书”输出为装配率计算书word文档保存至电脑中,位置在模型所在路径的同名文件夹中。

- 总体信息
若项目中有地下室,则取消勾选对应楼层,此时楼层置灰显示,不统计该层结果。
取消勾选预制楼层,则不统计该层预制构件,仅统计结构部分总量计入装配率分母项。
选择相同楼层,如图右图所示,楼层4,5,6均按楼层3结果计算,避免重复统计相同楼层。
- 主体结构
竖向构件:包含两种统计方式:手动输入各层预制体积和总体积(左图);自动计算个构件体积(右图)。手动输入对应数值,程序计算混凝土占比;自动计算则根据各自然层预制构件信息,进行计算。默认勾选“相同楼层同总信息”,楼层统计结果同总信息的楼层设置;若取消勾选该项,则可单独设置与其相同楼层,简化计算结果,如右图所示。
默认勾选包含该项,则该项目计入Q1分子部分;若取消勾选包含该项,则将该部分得分计入Q4分母的扣除项中,具体参照 GB/T51129-2017中4.0.1公式:

此外,4.0.3条中规定了可计入到预制混凝土体积中的相关算法,下图所示:

程序根据要求对预制梁柱节点后浇区高度做了判断,当梁柱后浇区高度不大于柱截面较小尺寸时,该高度范围内的混凝土体积可计入到预制柱混凝土体积中;反之不计入。对于剪力墙板间水平接缝不大于300mm时,可将接缝处后浇混凝土体积计入预制剪力墙体积中;对于剪力墙竖向现浇段的计入规则如下:
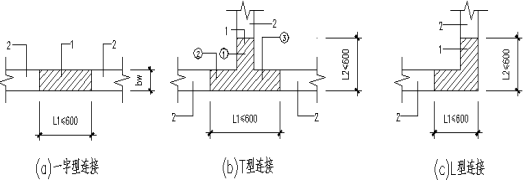
- 一字型连接:
(1)一字型墙处连接两段预制墙,当两段预制墙间后浇段尺寸满足右图(a)要求时,此现浇段计入到V1a中;
(2)一字型墙处只连接一片预制墙,现浇段不计入V1a中。
2.T型连接:
(1)T型墙节点处连接三段预制墙,当三段预制墙间现浇段尺寸满足右(b)要求时,此现浇段计入到V1a中;当T型①号墙肢尺寸大于600时,按照一字型连接墙肢进行判断;当T型②加③肢尺寸和大于600时,只判断①号墙肢是否小于600,如果满足,则计入V1a;
(2)T型墙节点处连接两段预制墙,当预制墙段与②、③肢连接时,按照一字型连接进行判断;(4)T型墙节点处连接两段预制墙,当预制墙段与①、②肢连接时,判断①号墙肢是否小于600,如果满足,则计入V1a;
(3)T型墙节点处连接一段预制墙时,如果该预制墙连接的是①号墙肢,且①号墙肢长度小于600,则①号墙肢体积计入V1a中。 - L型连接:
(1) L型墙节点处连接两段预制墙,当两段预制墙间现浇段尺寸满足右图(c)要求时,此现浇段体积计入到V1a中。当其中任意一肢尺寸大于600时,此现浇段体积不计入V1a中。
(2)L型墙节点连接一段预制墙,此现浇段不计入V1a中。

水平构件:设置界面如下图,此处增设叠合板后浇混凝土可计入预制部分的最大宽度限值,默认300mm,根据 GB/T51129-2017 4.0.3条设置。可手动输入该数值,当大于此限值则该后浇部分不计入预制投影面积中。当小于等于该限值,则在叠合板投影面积输出结果括号的数值中体现,详右图。

- 非承重围护墙非砌筑、内隔墙非砌筑
取消勾选包含该项,则该项得分计入Q4扣除项。
选择相同楼层同总信息,则计算楼层同总信息的楼层;取消勾选,可采用相同楼层按同一楼层统计。
取消自动计算,可手动输入非承重围护墙非砌筑墙体表面积和所有非承重围护墙外面总面积,程序根据输入结果计算相应比例和分值。
勾选自动计算,点击“指定围护墙”,程序会自动搜索到所有参与计算的非承重外围护构件并显红,在程序搜索自动结果的基础上,可通过单击构件增减参与计算的构件。若应参与计算的构件,程序未搜索到,则可通过手动单击增加,从而保证该项内容计算的准确性。左上角对话框构件已选个数实时更新选择构件的总数量。点击“确定”返回装配率设置界面,再进行计算。点击“取消”退出选择界面。计算墙体外表面积不扣除门、窗及预留洞口等面积。当模型中创建了砌筑墙体,分子项中不统计该类型墙体表面积。

内隔墙非砌筑与非承重围护墙非砌筑部分操作方法一致,此处不再重复说明。
- 围护墙与保温、隔热、装饰一体化、内隔墙与管线装修一体化
提供手动入输入相应墙体外表面积总和,程序根据输入结果计算相应比例和分值,操作界面详下图:

- 装修和设备管线
根据项目情况,自行输入相应部分的面积、长度,程序根基输入结果计算相应比例和分值。
最终根据各项结果,输出结果和报告书:

国标装配率计算总表
国标装配率报告书