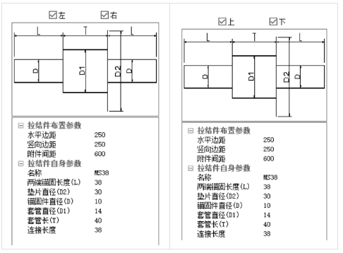
6.1.10 拉结件布置

拉结件的布置方式与预埋件布置类似,可设置修改拉结件的定位参数与外形参数,然后选择需布置的预制构件,布置方式可选水平布置或竖向布置,勾选左/右或上/下可设置竖向单双列或上下行。